Kundengruppe: Gast | Rabatt 25.00 %
Schnellkauf

Bitte geben Sie die Artikelnummer aus unserem Katalog ein.

Willkommen zurück!
News
Wir versenden mit DHL Paket

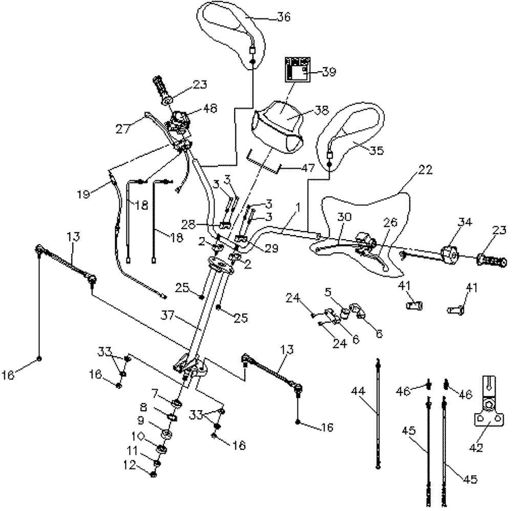
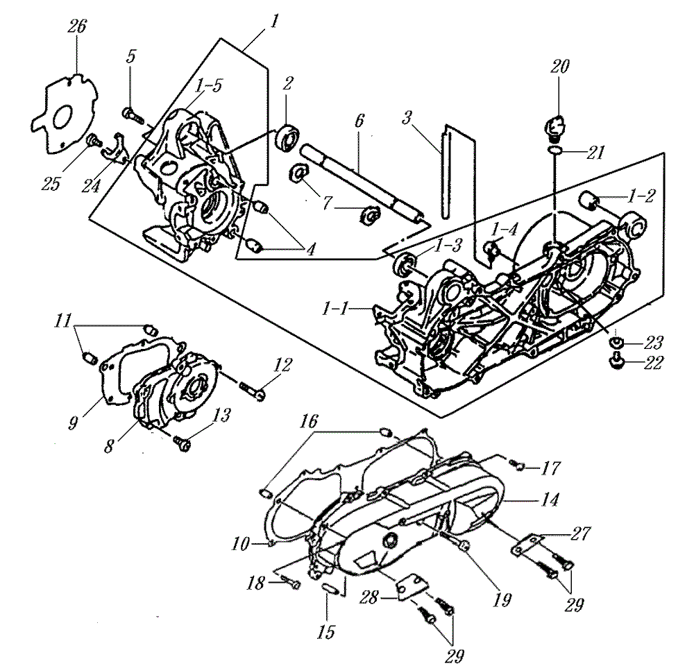
MT 50

MT 50
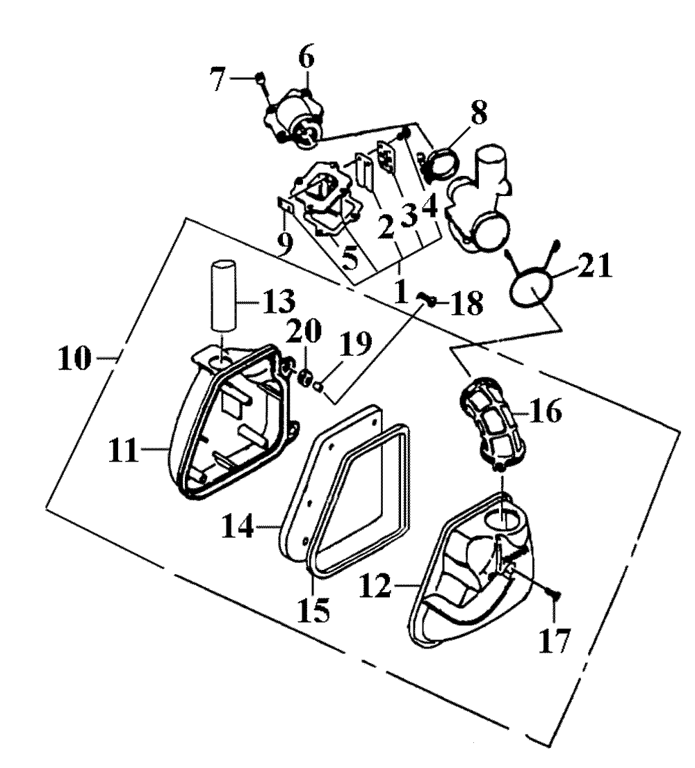
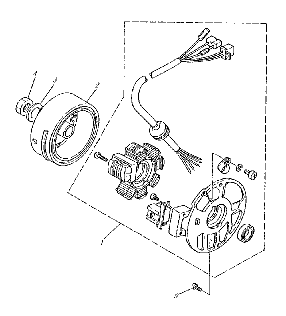
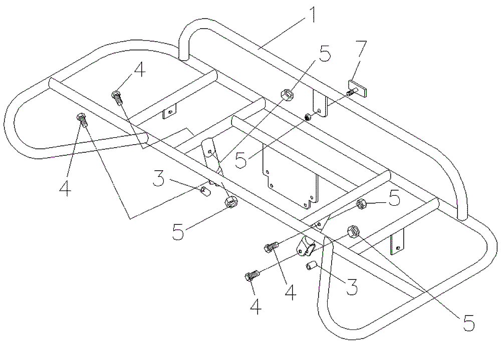
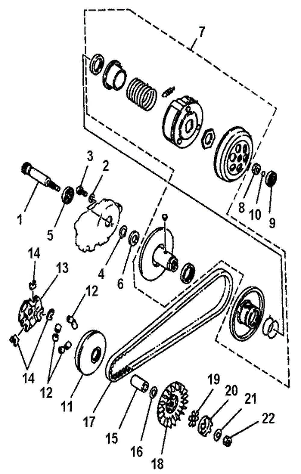
Ersatzteile für das Quad "MT50" von Reinmech/Motortek.

Der Vertrieb von Ersatzteilen für Motortek Quads wurde von dem Importeur SAP/MSA zum 1.11.2015 eingestellt.

Hier finden Sie noch lieferbare Ersatzteile für Motortek Quads des Hersteller Reinmech.

Bitte beachten Sie!!!!
Unsere Ersatzteile passen für Fahrzeuge, die über den Importeur SAP verkauft wurden.

Rot gekennzeichnete Artikel in den Teileaufstellungen unterhalb der Explosionszeichnungen sind nicht mehr lieferbar.

Gelb gekennzeichnete Artikel in den Teileaufstellungen unterhalb der Explosionszeichnungen sind nur noch in geringer Stückzahl verfügbar.

Weitere Unterkategorien:

7 8